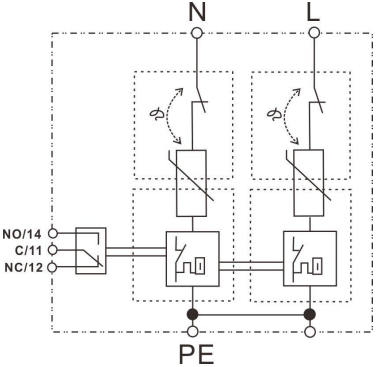
REP-MP40/2P 電(diàn)湧保護器(qì)采用(yòng) UL 認證的(de)高(gāo)性能(néng)氧化(huà)鋅壓敏電(diàn)€阻作(zuò)為(wèi)核心元件(jiàn),具有(yǒu)高(gāo)效電(diàn)湧吸收洩放(fàng)能(néng)力和(hé)低(dī)壓保護水(shuǐ)的(de)優點,能(néng)有(yǒu)效抑制(zhì)電(diàn)網線路(lù)上(shàng)雷擊或操作(zuò)等引發的(de)過電(diàn)壓;
每相(xiàng)(L-PE;N-PE)最大(dà)放(fàng)電(diàn)電(diàn)流 40kA(8/20μs);
TUV 認證模塊;
安裝簡易,防水(shuǐ)阻燃封裝,适用(yòng)于嚴酷戶外(wài)環境。
